
实时智能调平系统·电动推杆
本公司经销的自动调平系统,已完成系列化、模块化设计。
按调平系统采用的撑腿数量,可分为:三腿调平台、四腿调平系统。
按调平系统采用的动力驱动方式,可分为:机电式调平台、电液式调平系统。
按调平系统采用的控制模式,可分为:一键式自动调平系统,动态实时智能调平台。
按承载能力分:300Kgf、600Kgf、1T、3T、5T、10T、20T、30T、40T。
按调平系统采用的器件产地,军品可分为:完全国产化、关键件国产化。
一 一键式自动调平系统
⑴ 300Kgf三腿机电式自动调平台

图1 三腿机电式自动调平台
图2 三腿机电式自动调平台操作面板
实时智能调平台
三腿机电式自动调平台主要由如下部分组成:控制系统由可编程控制器PLC及其外围电路组成;执行机构由三套调平撑腿及其传动机构等组成;测量机构由双轴水平检测器、调平撑腿极限行程检测开关组、温控仪等组成;其他器件包括操作面板、加热器、低压电源、空开、连接电缆、按钮及指示灯等。
三腿自动调平台具备以下性能指标:平台点动全升、恢复、单腿点动升降、调平撑腿过行程保护、水平监测、自动调平、双重自保、刚性锁定等操作功能,具体指标如下。
1 调平精度 ≤0.1°。
2 调平时间 ≤ 50s。
3 电动推杆行程:100mm~200mm。
4 系统承载承载:200Kgf~400Kgf。
5 自动报警:相对坡度大于设定值时,系统自动报警,红灯亮。
6 实时显示:实时显示工作平台角度。

图3 三腿机电式自动调平台工作中
一键式自动调平台
7 自动调平:系统自动调平工作平台。
8 调平显示:工作平台相对坡度不大于0.05°,绿灯亮,显示系统已调平。
9 平台全升:工作平台整体上升。
10 单动点动升降功能:调平撑腿单独升降工作平台。
11 恢复功能:恢复系统初始状态,调平撑腿全部回收,直到工作平台达到最低位置,调平撑腿得回收极限行程开关信号而停止。
12 双重自保:倾角过大,程序停止系统调平运行;按“停止”键,停止系统调平运行。
13 刚性锁定:系统完成自动调平,刚性锁定调平撑腿。
⑵ 600Kgf四腿机电式自动调平台
图4 四腿机电式自动调平台
四腿机电式自动调平台主要由如下机构组成:一套控制系统箱、四只电动推杆、一套双轴水平检测器、一组连接电缆等。其中,可编程控制器PLC为控制系统核心;电动推杆及其控制器构成执行机构;双轴水平检测器、电动推杆限位开关组等组成反馈系统。
图5 四腿机电式自动调平台操作面板
自动调平系统应具备以下性能指标:平台点动全升、点动全降、单腿点动升降、电动推杆过行程保护、水平监测、自动调平等操作的功能。具体指标如下:
1调平精度 ≤0.5°。
2调平时间 ≤ 2 min。
3电动推杆行程:100 mm。
4单个电动推杆承载:200Kgf。
5自动报警:相对坡度大于6°自动报警。
6 实时显示:实时显示工作平台角度。
7自动调平:系统自动调平工作平台。
8调平显示:工作平台相对坡度不大于0.2°,显示系统调平。
9点动平台全升:工作平台整体上升。
10点动平台全降:工作平台整体下降。
11单动点动升降功能:电动推杆单独升降工作平台。
如下系列自动调平系统,需要根据客户的具体要求,进行模块化组合定制。
⑶ 1T三腿机电式自动调平系统
⑷ 3T三腿电液式自动调平系统
⑸ 5T三腿电液式自动调平系统;
⑹ 10T三腿电液式自动调平系统;
⑺ 20T三腿电液式自动调平系统;
⑻ 30T四腿机电式自动调平系统

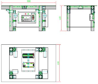
图6 四腿车载机电式自动调平系统应用图片
四腿机电式车载调平系统组成如图7所示。该系统由1套控制箱、1套控制模块、车外操作装置、4套电动撑腿、4套水平展开机构、1套双轴水平传

图7 四腿车载机电式自动调平系统构成示意图
感器等组成。电动撑腿由伺服电机、减速机和滚珠丝杆等结构件构成;控制箱由PLC控制器、低压电源、操作面板、继电器、保护设备、按钮及指示灯等构成。
由于三点确定一个平面,在实际的调平过程中,四腿机电式车载自动调平系统,有时会出现一个电动撑腿悬空的现象。因此,电动撑腿水平展开到位后,系统调平工作前,首先进行所有的电动撑腿“着地”,并对电动撑腿进行压力检测。电动撑腿伸出过程中,当电动撑腿压力达到设定压力时,汽车轮胎处于半着地状态,压力继电器发信号给PLC控制器,PLC发指令停止电动撑腿运行。当电动撑腿(1、2、3、4)全部停止运行后,电动撑腿“着地”完成,系统进入自动调平状态。
四腿车载机电式自动调平系统组件外形尺寸及接口尺寸
四腿车载机电式自动调平系统撑腿外形安装尺寸如图8所示
图8 四腿车载机电式自动调平系统撑腿外形安装示意图
四腿电液式车载调平系统组成如图8所示。该系统由1套控制箱、1套控制模块、车外操作装置、4套液压撑腿、4套水平展开液压机构、1套双轴水平传感器、一组压力继电器、液压集成块、油箱、液压站及其附件等组成。液压撑腿由液压缸、液压锁和安装座等结构件构成;控制箱由PLC控制器、低压电源、操作面板、继电器、保护设备、按钮及指示灯等构成。

图9 四腿车载电液式自动调平系统应用图片
⑽ 40T六腿电液式自动调平系统
二 实时智能调平系统
⑴ 300Kgf三腿机电式实时智能调平台
图10 三腿机电式实时智能调平台动态调平演示
三腿机电式实时智能调平台,除了具备三腿机电式自动调平台的全部功能外,还实现了系统自动调平无人化操作。即:当系统开机完成自检,按下“调平”按钮后,系统进入实时智能调平状态。当PLC检测到双轴倾角传感器数值超出设定值时,控制系统根据调平算法,实时进行系统自动调平,完成系统调平后进入准工作状态,直到倾角超过设定值,控制系统再次自动进行系统调平……
如下系列实时智能调平系统,需要根据客户的具体要求,进行模块化组合,完成定制。
⑵ 10T三腿电液式实时智能调平系统
⑶ 20T三腿电液式实时智能调平系统
⑷ 30T四腿电液式实时智能调平系统
⑸ 40T四腿电液式实时智能调平系统
公司可根据用户需求,对车载自动调平系统进行技术嫁接。将自动调平系统广泛应用于工业、铁路及民用领域。根据用户的具体要求,进行重新设计,满足不同用户的要求。
三 YM系列直流电动推杆
电动推杆,是一种将电动机的旋转运动转变为推杆的直线往复运动的机电装置。YM系列电动推杆运行平稳、结构紧凑,电机直接驱动、刚性自锁。广泛用于自动调平台、医疗设备、测量车、家具等小功率驱动装置。
电动推杆主要参数:推拉力(N)、行程(mm)、运行速度(mm/.s)。
电动推杆组成:驱动电机、减速器、丝杆副、导筒及电气控制部分。
电动推杆结构形式:电机与推杆垂直、电机与推杆平行、电机与推杆同轴。
电动推杆性能参数:推力范围、行程范围、速度范围。
电机驱动:直流电机、交流电机、步进电机、伺服电机。
丝杆副形式:梯形丝杆副、滚珠丝杆副。
行程控制:通过行程开关,控制电动推杆上下极限行程位置。
(一)YM系列HD2201型直流电动推杆
产品主要技术参数指标
输入电压:24VDC
最大负载:3000N
速度:4-15 mm/s
最小安装尺寸:L=175+S(行程)
行程开关:内置
工作温度:-25℃~65℃
保护等级:IP54
产品型号标注示例
YMHD2201 — 24 — 1000 — 100 — 6 —
系列代号 电压V 推力N 行程mm 速度mm/s
电流与负载关系图
速度与负载关系图
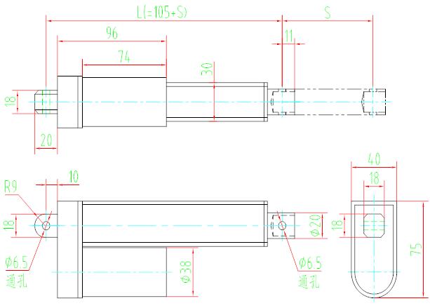
产品外形尺寸
(二)YM系列HD2202型直流电动推杆
产品主要技术参数指标
输入电压:24VDC
最大负载:1200N
速度:4-15 mm/s
最小安装尺寸:L=105+S(行程)
行程开关:内置
工作温度:-25℃~65℃
保护等级:IP65
产品型号标注示例
YMHD2202 — 24 — 1000 — 100 — 6 —
系列代号 电压V 推力N 行程mm 速度mm/s
电流与负载关系图
速度与负载关系图
产品外形尺寸
